KJT-MR 441-11Y
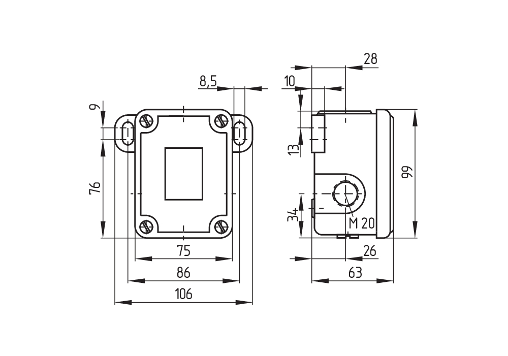
- ● :2 個電纜入口 M 20 x 1.5
- ● :執行器可重新定位 90°
- ● :金屬外殼
- ● :106 毫米 x 99 毫米 x 63 毫米(基本組件)
- ● :防護等級IP65
凱基特重型限位開關是一種機械控制開關,有輸送帶防跑偏用、吊車過卷保護用、拉繩開關用等形式。發揮其高可靠性,被廣泛應用在鋼鐵設備、大型輸送機械、裝卸機械和水泥設備上。耐惡劣環境。玻封接點中充填了惰性氣體

| 產品參數 | |
| 型號 | MR 441-11Y |
| 作用原理 | 機械的 |
| 外殼原材料 | 灰口鑄鐵,鍍鋅 |
| 觸點材料 | 銀 |
| 總重量 | 1,452g |
| 常閉數量(NC) | 1 |
| 常開數量(NO) | 1 |
| B 10D常閉觸點 (NC) | 2,000,000 次操作 |
| 執行元件 | 滾柱柱塞 |
| 滾筒材質 | 塑料 |
| 機械壽命 | 5,000,000 次操作 |
| 動作角度, 從開關軸左側算起 | 30° |
| 動作角度, 從開關軸右側算起 | 30° |
| 接觸開路 | 2×2.5mm |
| 最小驅動速度 | 1mm/分鐘 |
| 最大動作速度 | 0.5m/秒 |
| 注意 | 動作速度:垂直驅動角度切換軸的驅動速度 |
| 電路連接 | 螺絲連接 M20 x 1.5 |
| 最小電纜截面 | 1.5mm2 |
| 最大電纜截面 | 2.5mm2 |
| 注意 | 電纜部分:包括導體套圈 |
| 線材截面 | 13 AWG |
| 產品尺寸 | |
| 長寬高 | 63mm*106mm*145mm |
| 腳輪寬度 | 6.5mm |
| 腳輪直徑 | 25mm |
| 應用環境條件 | |
| 防護等級 | IP65 |
| 環境溫度 | -30 ... +90°C |
| 額定絕緣電壓 | 250 VAC |
| 額定沖擊耐受電壓 | 4kV |
| 電氣數據 | |
| 熱測試電流 | 16A |
| 應用類別 | AC-15: 250 V / 4 A |
| 開關元件 | 常開觸點、常閉觸點 |
| 開關原理 | 快速動作 |
| 最大彈跳持續時間 | 5 ms |
| 最大切換時間 | 35 ms |




注意 開關行程圖 觸點閉合 觸點打開 設置范圍 斷點 肯定打開順序/角度VS NO 觸點調節范圍 V? NC觸點可調節范圍 N 行程后 |
