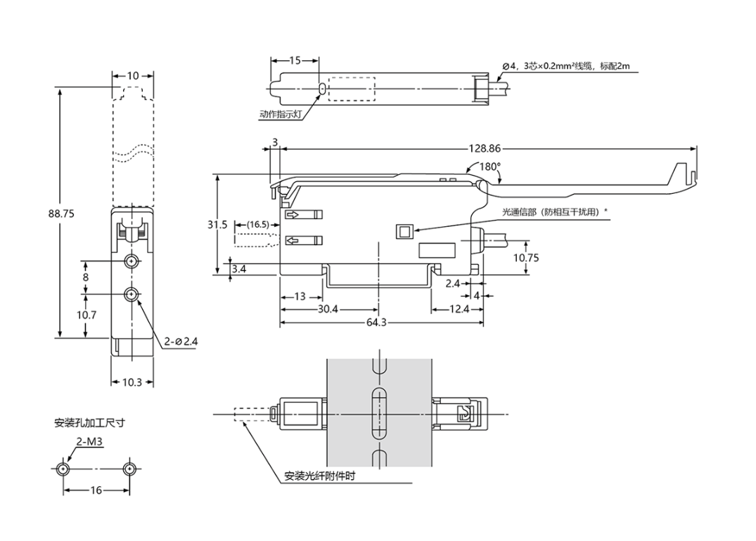
KJT-FDQ-N11光纖放大器
- 型 號:KJT-FDQ-N11
- 光 源:紅色 ,4元素發光二極管(624nm)
- 響應時間:斷開延時計時器/開啟延時計時器/單次計時器/開啟延時單次計時器,可選擇。 計顯示器在持續時間可選擇:1ms至9999ms
- 電源電壓:DC12~24V±10% 波動 (p-p) 10%以下
- 功耗/電流消耗:960mW以下(電流消耗40mA以下)
適合檢測微小物體和微小色差,適應狹小空間和不良環境安裝的高性能光纖傳感器◆光纖檢測頭小巧,適應狹小空間安裝,光纖頭能在電磁干擾大,溫差大,濕度大,需防爆的場合等不良環境中可靠工作。◆操作簡單,靈敏度可調

型號 | KJT-FDQ-N11(P) |
光源 | 紅色 ,4元素發光二極管(624nm) |
電源電壓 | DC12~24V±10% 波動 (p-p) 10%以下 |
功耗/電流消耗 | 960mW以下(電流消耗40mA以下) |
控制輸出 | 開路集電極輸出型 (NPN或PNP) 負載電源電壓26.4V以下、負載電流50mA以下 (殘留電壓:1V以下) 入光時ON/避光時ON 切換式 |
響應時間 | 斷開延時計時器/開啟延時計時器/單次計時器/開啟延時單次計時器,可選擇。 |
靈敏度調整 | 8轉動全回轉旋鈕 (帶指示器) |
保護回路 | 電源逆接保護、輸出短路保護 |
定時器功能 | 定時器、帶有OFF延時定時器 開關切換式 (定時器時間:固定為40ms) |
使用環境照度 | 受光面照度 白熾燈:10,000lx以下、太陽光:20,000lx以下 |
環境溫度 | 工作時:連接1~3臺時:-25~+55°C、連接4~11臺時:-25~+50°C、連接12~16臺時:-25~+45°C 保存時:-30~+70°C (無結冰、結露) |
環境濕度 | 工作時:35~85%RH保存時:35~95%RH(無結露) |
絕緣電阻 | 20MΩ以上 (DC500V兆歐表) |
耐電壓 | AC1,000V 50/60Hz 1min |
振動(耐久) | 10~55Hz 雙振幅1.5mm X、 Y、 Z各方向 2h |
沖擊(耐久) | 500m/s2 X、 Y、 Z各方向 3次約 75 g |
保護結構 | IEC標準 IP50 (保護罩安裝時) |
連接方式 | 導線引出型 (標準導線長2m) |





